본문 바로가기
  • 유해게시물신고
프로세스 제어 시스템 설계의 기본 단계
산업일보|kidd@kidd.co.kr
페이스북 트위터 카카오스토리 네이버블로그 프린트 PDF 다운로드

프로세스 제어 시스템 설계의 기본 단계

기사입력 2006-04-07 09:54:25
페이스북 트위터 카카오스토리 네이버블로그 프린트 PDF 다운로드
[산업일보]
3월호 특별기고에서는 프로세스란 무엇인가, 나아가 프로세스 제어 시스템의 역할은 무엇인가에 대해 검토하고, 그 기본은 다른 기계, 전자계의 제어와 마찬가지로 피드백, 피드포워드 제어라는 것을 알았다. 본고에서는 그 피드백 제어, 피드포워드 제어를 프로세스에 적용해 나갈 때에 어떠한 것이 문제가 되는지에 대해 알아보고, 조금씩 다른 분야의 제어와의 차이점을 알아보기로 한다.

시스템 설계의 기본 스텝
프로세스 제어 시스템의 설계는 보통 다음과 같은 일곱 스텝을 거친다.

(1) 제어대상의 확인 및 제어 목적의 명확화
(2) 측정(계측)하는 변수 및 제어변수의 선정
(3) 조작변수의 선택
(4) 제어구조의 결정
(5) 컨트롤러 설계
(6) 실장
(7) 튜닝(조정)
이하 순서대로 각 스텝에서 어떠한 것을 고려해야 하는지 설명한다. 단, (5)의 컨트롤러 설계에 대해서는 생략하며, (6)의 실장에 대해서는 하드웨어에서 설명한다. (7)에 대해서는 현장에서의 조정작업이 주체가 되기 때문에 여기서는 생략하기로 한다.

제어목적의 명확화
어떠한 시스템 설계에서도 그 첫걸음은, 대상의 파악과 그 시스템의 설계목적을 명확하게 하는데 있다. 프로세스에는 제품생산에 관련된 여러 목적 (1)안전성, (2)생산성, (3)경제성, (4)품질, (5)유연성, (6)환경보호가 있다. 그러나 이들 목적을 모두 동시에 같은 레벨로 만족시키는 것은 불가능에 가깝다. 그래서 우선 순위를 정해 설계할 필요가 있다. 어떤 목적이 우선될지는 다음에 설명하는 프로세스의 운전 상황(운전모드)에 따라 다르다.
(1) 시동, 정지운전(Start-Up, Shutdown Oeration): 신규 건설된 장치 또는 정기 수리를 위해 정지해 있던 장치에서 새로 생산을 개시하기 위한 운전조작이 시동운전(start-up)이라 불리는 운전모드이다. 역으로, 제품을 생산하고 있는 장치를 정지시키기 위한 운전이 정지운전(shut down)이다. 시동운전에서도 중간제품이나 원료가 장치 또는 플랜트 내의 저장탱크에 보존되어 있는 상태로 운전(hot start-up)하는 것과, 장치 내에 저장물이 전혀 없고, 원료 투입부터 운전(cold start-up)하는 두 종류가 있다. 이들 운전에서는 안전하게 지속적 운전을 할 수 있는 상태(통상운전)로 프로세스를 유지하기 위해 드는 비용이나 시간을 최소한으로 하는 등의 경제성이 우선시된다.
(2) 통상운전(Normal Operation): 원료에서 소정의 품질을 가진 제품을 소정의 양만큼 생산하는 운전이다. 이때는 안전성의 확보 외에도, 생산성, 품질 향상 등의 목적이 우선시된다.
(3) 스펙 변경운전(Changeover Operation): 제품 브랜드나 제품 품질을 변경하기 위해 조작조건을 변경하는 운전이다. 안전성 및 조작조건 변경기간에 생기는 규격외품(off-spec品)의 양을 최소한으로 줄이는 경제성이 우선시된 최적화 운전이 요구된다.
(4) 긴급피난운전(Emergency Operation): 장치의 배관이 막히거나 물질이 새거나 하는 등의 비상사태 또는 어느 한 곳의 온도가 비정상적으로 상승하거나 하는 이상사태를 피하기 위한 운전이다. 이때는 안전성이 최우선시된다.
이들 운전모드 중에서 어떠한 목적을 실현하기 위하여 지금 제어시스템의 설계를 하려고 하는가, 그 목적을 달성하기 위한 제어변수는 무엇인가, 그 변수를 제어하는데 있어서 제어시스템의 역할(외란 억제, 안정화, 최적화)은 무엇인가를 명확히 하는 것이 설계의 첫걸음이다. 특히 프로세스가 안정되어 있는가, 어떠한 외란이 프로세스에 들어올 가능성이 있는가, 경제성이 어디까지 우선시되는 상황인가를 고려하여 제어변수를 선정한 후, 제어 시스템의 역할을 결정해야 한다. 이 역할(이것을 제어목적(Control Objective)라 부른다)을 하는 제어 시스템을 컴퓨터를 사용하여 실현하기 위해서는 제어목적을 제어변수의 제약조건(Constraint)또는 평가함수(Performance In dex)의 형식으로 수식을 표현해 두어야 한다.
예를 들면,
1) y=ysp +ε, 단 |ε|≤C : 외란을 억제하기 위해 어떤 제어함수(y)를 설정치(ysp)의 주위에 C로 규정된 오차범위로 유지
2) y≤yupper 또는 y≥ylower : 안전을 위해 제어변수(y)를 어떤 상한치(yupper) 이하 또는 하한치(ylower)이상으로 유지
3) maxProfit(x,y,u): 운전의 최적화를 위해서, 프로세스 변수(x,y,u)로써, 어떤 경제적 지표(profit)를 최대로 유지
등의 표현을 생각할 수 있다.

측정(계측)하는 변수의 선정
피드백 제어를 하든, 피드포워드 제어를 하든, 프로세스의 상태를 관측하지 않으면 제어를 할 수 없다. 따라서 제어목적을 명확히 한 다음 단계로서 프로세스의 변수를 관측할 수 있는지, 제어변수로서 선택한 변수가 실제로 계측가능한지, 센서가 프로세스에 설치가능한지 검토해야 한다. 구체적으로는 다음과 같은 사항을 검토해둘 필요가 있다.
● 제어변수가 직접 계측 가능한가
● 외란이 직접계측 가능한가
● 대체변수(Secondary Measurement)가 선택 가능한가
프로세스 제어에서는 온라인에서 제어변수를 측정할 수 있는 센서가 없거나, 있다고 해도 아주 비싸서 센서 구입에 투자할 의미가 없거나, 설비 구조상 기존 장치에 새롭게 센서를 부착할 수 없는 등, 제어변수를 직접 측정할 수 없는 경우가 많다. 그런 경우, 제어변수와는 달리 싼값에 신뢰성이 높은 상태로 계측할 수 있는(대체변수)를 선택하여, 그 대체변수의 측정값으로부터 제어량을 추정하는 방식이 사용된다.

조작변수의 선정
대상 프로세스에 들어오는 에너지나 물질의 온도, 조성, 유량 등의 프로세스 변수 및 정보를 포함한 신호를 프로세스의 입력변수라 부른다. 일반적으로 프로세스에는 조작변수로서 사용 가능한 많은 입력변수가 있다<그림 2 참조>. 그 입력변수 중에서 제어목적이나 제어변수에 따라 적절히 조작변수를 선택하여야 한다. 제어변수의 종류별로 조작변수를 분류하면 다음과 같다.
● 생산량을 제어하기 위해 사용되는 조작변수
● 장치내부의 저장량(액체 수위, 가스 압력)을 제어하기 위해 사용되는 조작변수
● 제품의 성상을 제어하기 위해 사용되는 조작변수
● 그 외 프로세스의 생산, 운전경비를 낮추기 위해 사용되는 조작변수
<그림 1>과 같은 액체를 가열하여 적절한 온도로 만들어 하위 프로세스에 공급하는 가열탱크1)를 고려하자. 액체가 유량 vi[㎥/s], 온도Ti[K]로 프로세스에 공급되어, 온수를 유량 vo[㎥/s], 온도To[K]로 얻고자 한다. 가열에는 스팀을 사용할 수 있다(그 유량을 vsi[㎥/s]로 나타낸다). 탱크 내부는 완전히 혼합되어 있다. 즉, 유출되는 액체의 온도 To[K]와 탱크 내부의 온도T[K]가 같다고 생각할 수 있는 상태이다.2) 이 프로세스의 상위 프로세스 때문에 유입되는 액체의 온도가 변동된다. 이와 같은 프로세스의 제어계 설계를 해야 할 때, 외란은 무엇이며 제어목적은 무엇인가? 또, 제어변수, 조작변수로서 생각할 수 있는 것을 열거해 본다면,

프로세스 제어 시스템 설계의 기본 단계
그림1.가열 프로세스


● 외란은 유입되는 용액의 온도이다.
● 제어목적은 유출되는 용액의 온도를 일정하게 할 것, 탱크의 액 레벨을 일정하게 할 것, 유출되는 용액의 유량을 소정의 값으로 유지할 것이다.
● 제어변수는 탱크 내부 용액의 온도 T, 액 레벨 h, 유출 유량 vo이다.
● 조작변수로서 고려할 수 있는 것은, 스팀 유량 vsi, 공급 용액 유량vi, 유출 유량vo이다.
전장에서 대략 알아보았던 프로세스에 유입, 유출되는 물질과 에너지도 제어라는 관점에서 보면 입력변수, 상태변수 및 출력변수로 크게 나누어 지며, 입력변수는 조작변수, 외란(측정 가능한 것, 불가능한 것)으로, 상태변수와 출력변수는 각각 제어변수와 방치변수3)로 분류할 수 있다<그림2>. 여기서는 프로세스 변수 중에서 센서로 측정할 수 있는 변수를 출력변수로 하고 측정치를 얻을 수 없더라도 프로세스의 상태를 규정하는 중요한 변수를 상태변수로 정의하고 있다. 실제 프로세스에서는 무엇이 외란이며, 무엇을 조작변수로 무엇을 제어변수로 할 것인가를 결정하는 것이 어렵다. 예를 들면, 조작변수의 선정은 다음에 나타낸 제어구조의 결정 문제와도 깊게 관계되어있어, 그리 간단하지 않다.

프로세스 제어 시스템 설계의 기본 단계
그림2.제어계 설계의 관점에서 본 프로세스 변수의 종류


제어구조의 결정
제어계 설계에서 다음 단계는 제어 시스템의 구조(Control Configuration)을 정하는 일이다. 즉, 설계 가능한 변수값 중 무엇을 어떤 조작변수의 결정에 사용할 것인가와 같은, 피드백 구조의 신호처리 흐름을 정해야 한다. 제어 시스템 구조의 가장 단순한 분류는 프로세스 중의 제어변수와 조작변수를 몇 개 가지는가에 의한 분류방법이다.
(1) 1입력 1출력계(Single Input Single Output(SISO)): 하나의 제어변수를 하나의 조작변수로 제어하는 구조. 바꿔 말하면 하나의 제어변수 측정값을 하나의 조작량 결정에 사용하는 구조.
(2) 다입력 다출력계(Multi Input Multi Output(MIMO)): 복수의 제어변수를 복수의 조작변수로 제어하는 구조.
대부분의 프로세스는 제어변수도 조작변수도 여러개 있는 다입력 다출력계이다. 이 다입력 다출력계 중에서도, 하나의 조작량 결정에 하나의 측정값만 사용하는 1대1 제어변수-조작변수 조합(루프 페어링이라고 부름)을 복수 채용한 다중 루프제어(multi loop control)라 불리는 구조와<그림 3>, 하나의 조작량 결정에 복수의 측정값을 사용하는, 다변수 제어라 불리는 구조<그림 4> 두 가지가 있다.

프로세스 제어 시스템 설계의 기본 단계


(1) 다중 루프제어
N개의 제어변수, N개의 조작변수로 되어 있는 다입력 다출력계에 대해, 다중 루프제어로 제어계를 설계하려고 한다. 몇 가지 구조(페어링)가 있는지 구한다면 N변수의 경우는 N! 가지 있을 수 있다.

프로세스 제어 시스템 설계의 기본 단계
그림5.혼합 탱크의 다중 루프 제어구조


제어변수가 y1, y2이고 조작변수가 u1, u2인 2×2프로세스(N=2)에서는 (y1⇔u1, y2⇔u2)와 (y1⇔u2, y2⇔u1) 두가지. 4×4프로세스(N=4)에서는 4!=24가지, N=5에서는 120가지로, 변수가 조금만 커지면 엄청난 수의 페어링이 나온다. 이와 같은 조합 중에서, 목적에 맞는 구조를 선택해야 한다. 페어링의 일반적인 규칙으로서 다음과 같은 것이 있다.
1) 제어변수에 직접 영향을 끼치는 조작변수를 선택한다.
2) 조작변수를 변동시킨 영향이 제어변수에 나타나기 시작하는 시간이 되도록 짧은 페어링이 되도록 한다.
3) 다른 제어변수, 조작변수로의 영향이 되도록 적은 페어링이 되도록 한다(하나의 제어변수, 조작변수 페어링이 다른 페어링의 제어성에 미치는 영향을 간섭(Interaction)이라 부른다). 이 간섭의 크기를 평가하여 페어링하는 방법에 대해서는 생략한다.
오렌지 주스 제조 프로세스의 희석수와 농축과즙의 혼합탱크를 다시 생각해 본다. 이 프로세스에서는 ① 탱크에서 나오는 유량(생산량)을 v0으로 일정하게 유지한다, ② 주스 농도를 C*j0로 유지한다, ③ 탱크내의 수위를 h로 유지한다, 등의 제어목적이 있다. 여기서 탱크로부터의 추출유량 v0, 희석수의 공급유량 v1, 농축과즙의 공급량 v2의 조작변수를 사용할 수 있다. 이때, 어떠한 다중 루프 제어구조를 생각할 수 있는지 설명하라. 단, 조작변수로서 밸브 1, 2의 개폐도 u1, u2및 펌프의 회전수 u3을 사용할 수 있다고 한다.
제어변수3, 조작변수3인 프로세스이기 때문에, 6가지의 다중 루프 구조를 생각할 수 있다. 탱크로부터의 유출량(v0)을 제어하기 위해 밸브2와 펌프를 사용하는 것보다, 거리가 짧은 밸브1(u1)을 사용하기로 한다. (v0⇔u1)의 페어링을 정하게 되면, 생각할 수 있는 제어구조는 <그림 5>에 나타낸 두 종류가 된다. 구조(a)(b) 둘 다 유출량을 측정하여 밸브1을 조절하여 제어하고 있다(FC). 구조(a)에서는 탱크의 수위를 펌프의 회전수로(LC), 농도를 밸브2로 제어(AC)하고 있다. 한편, 구조(b)에서는 탱크의 수위는 밸브2(LC)로, 농도제어는 펌프에 의한 유량제어(FC)로 이루어지고 있다.4)
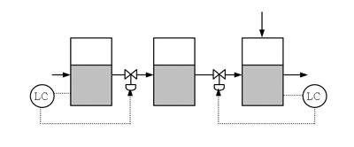
프로세스는 복수의 장치로 구성되어 있는 경우가 많고, 장치마다 독립적으로 제어구조를 구성하면 실패할 수 있다. 복수의 장치를 공통으로 흐르는 한줄기의 물질류가 있는 프로세스를 고려한다. 이때, 장치마다 독립적으로 제어구조를 생각하면 <그림 6>과 같은 제어구조를 선택할 가능성도 있다.

프로세스 제어 시스템 설계의 기본 단계
그림6.제 기능을 하지 못하는 제어구조


그림에서는 3개의 장치를 공통으로 흐르는 유량이 두 제어계에서 조작변수로 되어있다. 이 제어구조에서는 간섭이 강해 제어계가 올바른 기능을 하지 않는다. 이처럼, 제어구조는 장치군 전체(플랜트 전체)를 고려하여 결정해야 한다. 이것은 플랜트 와이드 컨트롤(Plant Wide Control)문제라 불린다.

프로세스 제어 시스템 설계의 기본 단계


<그림 7, 8>과 같은 흡수장치와 증류탑으로 되어 있는 메탄올 회수 프로세스를 고려해 본다. 이 프로세스에서는 메탄올을 X[mol%]함유한 질소가스(100mol/h)를 물과 접촉시켜 메탄올을 물에 녹여 질소가스로부터 분리한다. 메탄올이 제거된 질소가스는 흡수장치의 탑 꼭대기로부터 배출되며, 메탄올이 녹아있는 물은 증류탑으로 보내진다. 증류탑에서는 메탄올과 물을 분리시켜 메탄올의 농도가 90%인 알코올을 탑 꼭대기에서 뽑아낸다. 한편, 탑의 바닥에서 나오는 물은 흡수장치로 재활용된다. 이때 제어계로서 <그림 7, 8>과 같은 두 제어구조를 고려하였다. 질소 중의 메탄올 농도X가 변동되면 <그림 8>의 제어구조는 제기능을 하지 못한다. 그 이유를 설명하면 다음과 같다.
이 두 제어구조의 차이점은 흡수장치의 액레벨을 제어하기 위해서 유입수량을 조작변수로서 사용할지(구조(1)), 흡수장치에서 유출되는 메탄올이 섞인 물의 유량을 조작변수로서 사용할지(구조(2))에 있다. 지금 증류탑의 꼭대기에서 얻을 수 있는 90%알코올의 몰 유량을 D[mol/h]이라 하면, 알코올 중 메탄올량은 0.9D[mol/s]로, 물의 양은 0.1D[mol/h]이다. 그리고 메탄올을 포함하는 원료질소 가스의 몰 유량을 F2[mol/h], 그 메탄올 농도를 X로, 물의 공급량을 F1[mol/h]로 하고, 그림7의 점선으로 둘러싸인 계(系)에서의 물과 메탄올의 출입을 고려해 본다. 정상 상태에서는 점선 내에 들어온 물질량은 반드시 점선 밖으로 나가야 하기 때문에, 물과 메탄올의 유입유출량에 대해, F1=0.1D, F2X=0.9D의 관계가 성립한다. 즉, 증류탑에서의 농도제어에 의해 프로세스로부터 나가는 메탄올과 물의 농도비가 변하지 않는 이상, 프로세스에 들어오는 물과 메탄올의 비율은 F1/F2X=1/9여야만 한다. 만약 흡수장치에서 유출되는 메탄올 농도X가 변한다면 공급수의 양도 위의 식이 성립하도록 변하지 않으면 프로세스 내에 물이 차거나, 고갈되어 버린다. 구조(1)에서는 물의 공급량이 조작변수로서 사용되며, 물이 많이 차면 공급수량을 낮추고, 물이 적으면 공급수량을 올려, 농도변화에 따라 공급수량이 조절되는 방식으로 되어 있다. 한편 <그림 8>의 구조(2)는 공급수량을 일정하게 하는 구조이며 농도변동에 대처할 수 있는 제어계가 아니다. 화학 프로세스에서는 앞서 말한 N입력 N출력에 대해 N조의 입출력 페어를 선택하여 제어 루프를 구축한 다중 루프 제어구조뿐만이 아니라, 다음과 같은 하나의 측정값을 복수의 조작변수 결정에 사용하거나 복수의 제어변수를 하나의 조작변수로 제어하는 제어구조가 사용되는 경우가 많이 있다.
(2) 캐스케이드 제어
두 컨트롤러로 구성되어 한쪽 컨트롤러의 출력 값이 다른 컨트롤러의 설정치로서 사용되는 제어구조를 캐스케이드 제어(Cascade Control)라 한다. 대표적인 것으로서, <그림 9>에 나타낸 것과 같은 레벨 제어를 들 수 있다. 하나의 컨트롤러부터 나오는 신호(컨트롤러로부터의 출력)가 다른 하나의 제어계에 폭포(Cascade)가 흐르는 것처럼 결합되어 있는 구조를 하고 있기 때문에 이런 이름이 붙었다. 캐스케이드 제어의 이점은

프로세스 제어 시스템 설계의 기본 단계
그림9.캐스케이드 제어에 의한 레벨 제어


● 외란에 신속히 대처
● 제어대상의 동적 특성 개선
등이 있다. 예를 들면, 탱크의 액 레벨을 제어하기 위해 밸브 개도를 직접 조작변수로 하는 제어계를 생각해 본다<그림 10>. 밸브 개도와 유량 사이의 함수관계가 무너지기 쉬운 경우, 이 제어계는 아주 성능이 나빠진다. 실제로, 유량은 밸브 개도와 밸브의 전후 압력차에 의해 결정되어, 하류 프로세스의 조작압력 등이 변동되면 동일한 밸브라도 유량이 다르게 된다.5) 이처럼 밸브 개도와 유량의 함수관계가 무너지기 쉬운 유량계에서는 <그림 9>의 캐스케이드 제어가 사용된다. 액 레벨 컨트롤러에서 액 레벨의 측정값으로부터 유출 유량을 조작량으로서 구하고, 구한 조작량을 유량 설정치로서 유량 컨트롤러로 보낸다. 유량 컨트롤러에서는 실제 유량을 계측하여 설정치와 비교하여 밸브의 개도를 결정한다. 이 제어구조를 채택함으로써 보다 빠르게 유량에 대한 외란에 대처할 수 있게 된다.
<그림 5>의 다중 루프 제어계(a)(b)에서는, 밸브2의 개도와 그 배관(라인)을 흐르는 유량의 함수관계가 무너지기 쉬운 상태에 있다. 여기서 제어계(a)의 조성 컨트롤러(AC: 밸브2의 개도를 변화시켜 유량을 조작하는 제어 루프)와, 제어계(b)의 액 레벨 컨트롤러(LC: 밸브2의 개도를 변화시켜 유량을 조작하는 제어 루프)를, 각각 캐스케이드 제어계로 재 설계한다.
<그림 11>에 나타낸 것과 같은 캐스케이드 제어계의 개선을 고려할 수 있다.

프로세스 제어 시스템 설계의 기본 단계


(3) 레이시오 제어
여러 종류의 원료를 소정의 농도비로 공급하고자 하는 경우나 여러 배관을 흐르는 유체를 각각 소정의 유량비로 흐르게 하고자 하는 경우에 사용되는 것이 레이시오 제어구조(Ratio Control)이다. 지금 두 유체가 각각 다른 배관(라인)을 통해 장치에 공급되고 있다고 하자. 단, 두 라인 모두 유량은 제어 가능하지만 어느 한쪽 라인은 유량을 조작하기 위해 사용할 수 있는 밸브를 가지지 못한 상태라고 한다. 이때 두 라인의 유량비를 제어하는 레이시오 제어의 구조로서 <그림 12(a)(b)>에 나타낸 것과 같은 두 가지 방법이 있다.
1) 두 유량을 계측하여 그 측정치를 나눠서 유량비를 계산한다. 그 비를 제어변수의 측정값으로서 설정치와 함께 컨트롤러에 보내 밸브 개도를 조작한다(구조(a)).
2) 밸브가 없는 쪽의 흐름(이것을 wild stream이라 부름)에 대한 유량을 측정하여 그 측정값에 유량비의 설정치를 곱하여 그 값을 유량 설정치로서 컨트롤러에 보낸다(구조(b)).
다시 한번 오렌지 주스의 제조 프로세스의 희석수와 농축과즙의 혼합 탱크를 고려해 본다. ① 탱크로부터 나오는 유량(생산량)을 v0으로 일정하게 유지시킨다. ② 희석 주스의 농도를 C*j0로 유지시킨다, ③ 탱크 내부의 액 레벨을 h로 유지시킨다, 라는 세가지 제어목적에 대해, 레이시오 제어와 캐스케이드 제어를 사용한 제어계를 설계한다면, <그림 13>과 같은 제어구조를 고려할 수 있다. 컨트롤러(AC)는 탱크 내부의 농도가 C*j0로 될 수 있도록, 유입되는 농축과즙과 희석수의 두 유량비를 조작량으로 하여 제어하는 컨트롤러이며, 측정값과 설정치 C*j0의 오차로부터 총 유입량에 대한 희석수의 유량비의 설정치(v*1/(v*1+v*2))를 결정한다. 그리고 그 값을 레이시오 컨트롤러(X)에 보내 농축과즙의 공급량 설정치와 희석수의 공급량 설정치와의 합(v*1+v*2)을 곱하여 희석수의 유량 설정치 v*1를 계산한다.
희석수의 유량 컨트롤러(FC)에서는 v*1을 설정치로 한 캐스케이드 제어를 한다. 또, 액 레벨 제어는 농축과즙의 공급량을 조작변수로 하고 있다. 즉, 액 레벨 컨트롤러(LC)로부터의 출력은 농축과즙의 공급량의 설정치 v*2이며, 유량 컨트롤러에 그 설정치를 보내는 캐스케이드 제어가 쓰이고 있다. 이와 같은 제어구조를 채택함으로써, 탱크 내부 농도가 농축과즙의 공급량 변동(액 레벨을 제어하기 위해 생기는 변동)에 의한 영향을 받지 않게 된다.

프로세스 제어 시스템 설계의 기본 단계



참고
1) 기계적 구조는 조금 다르지만 급탕기를 상상하면 될 것이다.
2) 이와 같이 유출물질의 조성(농도)이나 온도가 탱크 내부 저장물의 조성이나 온도와 같아질때까지 탱크 내부에서 균질(均質) 혼합되어 있는 상태를 완전혼합(perfect mixing)이라 부르며, 그와 같은 상태를 가정할 수 있는 탱크는 완전 혼합탱크라 부른다.
3) 방치변수란, 인위적인 조작을 가하지 않으며, 제어하지 않거나 제어하지 못하는 변수.
4) ○안의 FC, LC등의 기호는 계장기호라 불리는 것으로, 점선은 신호의 흐름을, ○는 컨트롤러와 전송기를, FC는 유량 컨트롤러, LC는 레벨 컨트롤러, AC는 조성 컨트롤러를 의미하며, 신호의 출입은 입력으로서 측정값을 사용하고, 조작량을 출력으로서 계산한다는 것을 표현하고 있다.
5) 밸브의 개도(x)와 유량(v)사이에는 다음과 같은 함수관계가 성립한다.

Cv는 밸브계수라 불리는 정수, Lσ는 물에 대한 상대비중, f(x)는 밸브 개도의 함수가 되는 변수이다. 이 식을 사용할 때에는 단위를 주의해야 한다.

김 영 권 / 동양시스템(주)

<저작권자 ⓒ 자동제어계측(www.autocontrol.co.kr) 무단전재 및 재배포 금지 >



0 / 1000
주제와 무관한 악의적인 댓글은 삭제될 수 있습니다.
0 / 1000




제품등록 무료 제품 거래 비용 없음!



산업전시회 일정




다아라 기계장터 제품등록 무료