본문 바로가기
  • 유해게시물신고
[특집]AC드라이브의 고조파 및 해결책
산업일보|kidd@kidd.co.kr
페이스북 트위터 카카오스토리 네이버블로그 프린트 PDF 다운로드

[특집]AC드라이브의 고조파 및 해결책

기사입력 2006-02-09 15:01:59
페이스북 트위터 카카오스토리 네이버블로그 프린트 PDF 다운로드
[산업일보]
AC 드라이브에서의 고조파(Harmonics) 및 이와 관련된 문제점들은 여러 문서에서 찾아볼 수 있지만, 대다수의 드라이브 사용자들은 지금도 몇 가지 기초적인 문제들에 대한 명확한 해결책을 찾고 있다.
본고의 목적은 AC 드라이브와 고조파에 관한 몇 가지 기초적인 정보들을 제공하는 데 있다. 주 내용은 고조파와 역률(Power Factor)에 대한 간단한 설명과 함께 이 두 요소가 분배 시스템에 주는 영향을 다루고 있다. 이 문서는 몇몇 관련 법칙, 해결책 및 각각의 장단점과 아울러 이들과 관련한 그릇된 통념을 바로잡는데 주안점을 두고 있다.
AC 드라이브에서의 고조파와 관련한 내용들을 이해하려면 최근의 PWM AC 드라이브의 기초적인 작동원리와 특히 유틸리티 라인에서 전력을 공급 받는 원리에 대해서 제대로 이해하고 있어야 한다.

[특집]AC드라이브의 고조파 및 해결책
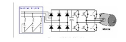
그림1. 일반적인 AC 드라이브의 구성

<그림 1>은 일반적인 ‘전력구성’을 나타낸 것으로 AC드라이브의 전력 공급 부에 대한 개요도 이다. AC 드라이브의 전력 공급 부는 세 단계로 구성되어 있다. 대부분의 DC 드라이브는 AC 전원으로 작동하는데 반해, AC 드라이브는 DC 전원으로 작동한다. 그 이유는 AC드라이브는 <그림 1>의 ‘IGBT Inverter Bridge’의 인버터 부분에 안정적인 DC 전원을 공급 받아야 원활하게 작동하기 때문이다. 따라서, AC 드라이브의 첫 번째 단계는 3상 AC 전원을 DC로 변환하는 단계가 된다. 이 부분은 컨버터가 담당한다.

[특집]AC드라이브의 고조파 및 해결책
그림2. 필터링 되지 않은 3상 정류 전압
AC 드라이브에서 컨버터는 3상 전파 다이오드 브리지(Three-phase, Full Wave Diode Bridge)로 구성되며, 다이오드 대신 SCR(Sili con Controlled Rectifiers; 실리콘 제어 정류기)를 사용하는 경우도 있다. 만약 컨버터가 전원 공급부의 다른 부분과 절연되어 있다면, 입력 단에 3상 전원이 공급될 때 DC 버스 연결 부에는 파동형태의 360Hz의 DC 전압이 걸리게 된다<그림 2>.
IGBT 컨버터를 작동하려면 DC 버스에 공급되는 전원을 필터를 통과시켜 파형의 고저를 없애야 한다. 따라서, 필터부가 두 번째 단계를 담당하게 된다. 필터부는 기본적으로 <그림 1>에서 보는 바와 같이 대용량의 컨덴서로 이루어진다. <그림 1>과 같이 ‘DC Link Choke’를 추가하는 경우도 자주 볼 수 있다. DC Link Choke는 AC 입력 라인의 버퍼 역할을 해서 고조파 현상을 제거하는데 도움을 준다. 이에 대한 내용은 나중에 설명하겠다. 세번 째 단계는 <그림 1>의 ‘IGBT Inverter Bridge’가 담당하며 이 부분을 인버터부 라고 한다. 인버터부는 스위치 역할을 하는 고속 트랜지스터를 사용해서 펄스 폭을 조정한(PWM; Pulse Width Modulated) 전원을 모터에 공급한다. 모터는 대용량의 인덕터 역할을 하며, 인덕터에서는 전류가 급격하게 변화하지 않기 때문에, DC 버스 전압을 진폭이 다른 펄스들의 형태로 공급해서 사인파(Sine Wave)에 가까운 전류를 모터로 흘려 보낼 수 있다. 대부분의 경우 전력 공급 라인에 영향을 주는 부분은 정류기와 필터다. 컨버터와 필터가 AC를 DC로 변환하는 과정을 이해하기 위해서 단상(Single-Phase) 모델을 예로 들겠다.

[특집]AC드라이브의 고조파 및 해결책
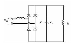
그림3. 단상 컨버터 및 필터
<그림 3>은 DC 버스에 컨덴서 필터와 저항을 설치한 단상 다이오드 정류 회로를 나타낸다.
AC 전원이 공급되면 다이오드 브리지를 통과한 전류는 컨덴서를 공급된 전압의 피크 치 만큼 충전시킨다. 각각의 다이오드는 유체 흐름에서 체크 밸브와 같이 동작한다. 따라서 전류는 한 방향으로만 흐르게 된다. 단상 브리지에서 4개의 다이오드들 중2개는 전류를 흘려 보내고(각각 + 와 -를 담당), 나머지 두 개는 전류를 흐르지 못하게 한다. AC 입력 단의 극성이 바뀌면, 다이오드의 역할도 반대로 된다. DC 버스에 부하가 걸리면 컨덴서는 방전된다. 다음 번 전원 입력 사이클에서 컨덴서는 입력 전압이 DC 버스의 전압보다 높을 때에만 다이오드를 통과한 전류로 충전된다. 즉, 컨덴서는 다이오드에 정 방향으로 전압이 걸렸을 때에만(Forward Biased) 충전된다. 또한 이 때는 입력 사이클에서 입력 전원의 사인 파형이 +/- 의 피크 치 근처가 되며, 따라서 입력 전원의 사인파가 +/- 피크 치 근처가 될 때마다 전류의 펄스가 발생하게 된다. DC 버스에 부하가 걸리면 컨덴서는 방전이 되면서 DC 전압이 낮아진다. DC 전압이 낮아진다는 것은 공급된 사인파가 꽤 오랫동안 컨덴서의 전압보다 높은 상태였음을 의미한다. 따라서 전류의 펄스의 폭은 DC 버스에 걸린 부하에 의해서 부분적으로 결정된다. <그림 3>를 참조.

[특집]AC드라이브의 고조파 및 해결책
그림4. 단상 컨버터 측정치
<그림 4> 에서 Vac는 입력 단의 전압, Vo는 필터링된 DC 버스 전압, 그리고 펄스 형태의 입력 전류는 I 이다. 필터링 되지 않은 Vo의 형태는 컨덴서 필터를 회로에 추가하기 전과 같다는 점을 숙지해야 한다.
앞에서 언급한 사항들은 1 사이클 당 2개의 펄스가 있는 단상 모델의 특성들이지만, 3상 모델에도 그대로 적용된다. 3상 모델은 6개의 다이오드로 구성되어 있고 1사이클 당 6개의 펄스가 생성된다는 사실을 제외하고는 단상 모델과 똑같다.

[특집]AC드라이브의 고조파 및 해결책
그림5. 3상 AC 드라이브에 정격 전압(VAN) 인가 시 Phase A의 입력 전류(IA)
AC 드라이브에서는 인버터가 부하 역할을 한다. <그림 2>를 보면 알 수 있듯이, 만약 3상 다이오드 브리지 컨버터가 있다면 1번의 3상 사이클 당 전압 펄스가 6개가 만들어진다. <그림 5>에 펄스 형태의 입력 전류가 나타나 있다. 이 경우 전류가 공급되는 전압에 비례하지 않기 때문에 ‘비선형 부하(nonlinear load)’의 개념을 도입해야 한다. 실제로 비선형의 부하의 경우에는 전압 사이클이 공급되는 기간 동안 전류가 흐르는 시기는 일부에 지나지 않는다. 3상 시스템에서 전류가 흐르는 시기는 아무리 길어도 120도(피크 치 전후 +/- 60도)를 넘지 않는다. 120도에 해당하는 시기가 지나가면 다른 Phase의 120도에 해당하는 시기가 오게 되고 다시 전류가 흐르게 된다.
AC 드라이브에서 전류가 공급되는 방식을 이해했을 것이므로 ‘고조파’라는 용어에 대해서 정의를 내리도록 하겠다. <그림 6>의 파형을 보면 각각의 파형은 이상적인 사인파에 가까우며, 위상이 지연되기는 하지만 전류는 전압에 비례한다는 사실을 알 수 있다. 이와 같은 경우는 선형 부하이며 고조파는 존재하지 않는다. 이상적인 사인파에는 고조파가 존재하지 않으며 단일 주파수의 기본적인 파형 하나만 존재한다.

[특집]AC드라이브의 고조파 및 해결책
그림6. 정격 전압(VAN) 인가 시 선형 부하일 경우 Phase A의 입력 전류(IA)
<그림 6>의 사인파 들은 60Hz의 단일 주파수를 가지고 있다. 이미 앞에서 살펴본 바와 같이 AC-DC 정류기들과 같은 비선형 부하 요소들은 왜곡된 파형을 만들어낸다. 비선형 부하로 인한 왜곡된 사인파에는 고조파가 존재한다. 고조파를 감소시키기 위한 가장 간단한 방법은 라인 입력단이나 DC 링크에 리액터를 설치하는 것이다. 리액터나 인덕터는 전류가 급격히 변화하지 못하게 한다. 따라서 컨덴서가 긴 시간 동안 전류를 끌어와서 천천히 충전되도록 한다. 리액터를 추가하면 80% 이상이던 THD를 소스 임피던스에 따라 20% 이하까지 감소시킬 수 있다. <그림 7>은 DC 링크 리액터나 라인 리액터가 없는 AC 드라이브의 경우이며 <그림 5>와 <그림 8>은 DC 링크 리액터가 설치된 AC 드라이브의 경우이다. 대부분의 드라이브 제조사들은 대형 드라이브에는 이러한 리액터들을 설치한다. 리액터가 설치된 100마력 이상의 모든 드라이브는 설비의 고조파를 감소시킨다.

[특집]AC드라이브의 고조파 및 해결책
그림7. DC 링크 초크나 라인 리액터가 없는 3상
AC 드라이브의 경우,Phase A의 정격 전압 입력 라인(VAN)과 입력 전류(IA)
그림8. 부하가 걸린 상태에서 일반적인 AC 드라이브의 입력 전류

대부분의 경우 리액터를 설치하면 고조파를 감소시키기 위해서 별도의 조치를 취할 필요는 없다. 그러나 만약 리액터가 설치되어 있더라도 고조파가 문제가 된다면 여러 가지 다른 방법들도 있다. 예를 들면, 12 나 18 펄스 컨버터, 패시브필터(Passive Filter), 액티브 필터(Active Filter) 액티브 프론트 엔드(Active Front Ends) 등이 있다. 12 또는 18 펄스 컨버터는 다이오드나 SCR 브리지를 가진 별도의 3상 시스템을 2개 또는 3개로 조합한 것이다. DC 출력은 DC 버스의 컨덴서에 전류를 공급하기 위해서 하나로 합쳐진다. 각각의 3상 입력부는 60도/n만큼 위상 차가 생기며, n은 3상 시스템의 개수이다. 따라서 3상 시스템 3개로 구성되는 18 펄스 컨버터는 20도의 위상 차가 나는 전류를 만들어 낸다. 또 한 각 3상 시스템에는 하나의 정류기가 필요하며, 위상 차가 나는 2차 출력을 여러 개 만들어 낼 수 있는 특별한 변압기도 필요하다. 변압기는 30도만큼 위상이 이동된 2차 출력을 2개 만들어 낸다는 사실이 중요하다. 12 펄스 변압기의 1차 전류는 약간 다르다.

[특집]AC드라이브의 고조파 및 해결책
그림9. 12 펄스 시스템에서의 1차 전류(좌) 18펄스 시스템에서의 1차 전류(우)

<그림 9(좌)>는 12 펄스 1차 전류로 2개의 2차 전류의 산술적인 합이다. 30도의 위상 차가 존재하기 때문에 피크 치가 일치하지는 않다. 결과적으로 입력 전류는 약간 더 사인파의 형태에 가깝게 되며 따라서 고조파 요소도 줄어들게 된다. <그림 9(우)>는 18 펄스 변압기의 경우이다. 12 펄스 입력 전류에 비해서 전류가 사인파의 형태에 더 근접했음을 확인할 수 있다.
패시브 필터는 <그림 10>에 나타나 있으며 전류를 기본 주파수 형태로 흐르도록 하기 때문에 고조파를 감소시킬 수 있다. 패시브 필터에서는 인덕터와 컨덴서를 에너지 저장소로 사용해서 낮은 주파수(60Hz)에서 전류를 요구되는 펄스(고조파)의 형태로 드라이브에 공급한다.

[특집]AC드라이브의 고조파 및 해결책
그림10. AC 드라이브의 패시브 필터

액티브 필터는 아주 효율적이기는 하지만 가격이 비싸다. 액티브 필터는 드라이브에서 인버터와 아주 유사한 액티브 스위치 배열을 통해서 동작한다. 전류 센서를 사용함으로써 전류를 사인파에 가깝게 할 수 있으며, 따라서 드라이브에서 나오는 전류도 사인파에 가깝게 된다.

맺음말

어떤 경우에는 AC 드라이브가 고조파와 관련한 문제들을 일으킬 수도 있지만, 고조파들이 항상 문제가 되지는 않는다는 사실이 중요하다. 드라이브들이 시스템에 공급하는 고조파들은 입력 역률을 향상시켜 실제로는 분배 시스템이 전력 용량의 제한을 벗어날 수 있게 해준다. 특히 링크 초크가 드라이브에 설치되어 있을 때는 분명히 이와 같은 이득을 볼 수 있다.
IEEE-519는 공통 커플링 지점에서 만족되어야 할 사항이지 설비 내에서 만족해야 하는 사항은 아니라는 점을 꼭 명심하시기 바란다. 이는 불필요한 장비를 구입하지 않도록 도움을 줄 것이다. 고조파를 제거할 때에는 패시브 필터와 다중 펄스 컨버터를 사용하면 가장 비용이 적게 든다. 액티브 필터는 비교적 비용이 많이 들지만 그 만큼 성능이 뛰어나다. 액티브 프론트 엔드(일명 Regen solution)는 가장 고가의 솔루션이다. 그러나 장기간의 관점에서 본다면 비용이 절약되는 데, 이는 회생이나 ‘제동(Braking)’이 필요할 경우 동적인 브레이킹 장비가 필요 없기 때문이라기 보다는, 회생으로 인한 에너지의 재활용이 가능하기 때문에 가장 경제적인 솔루션이 될 수 있다.

문의: (02)2188-4424 문 성 식 / 로크웰 삼성 오토메이www.rockwellsamsung.co.kr

<저작권자 ⓒ 자동제어계측(www.autocontrol.co.kr) 무단전재 및 재배포 금지 >



0 / 1000
주제와 무관한 악의적인 댓글은 삭제될 수 있습니다.
0 / 1000




제품등록 무료 제품 거래 비용 없음!



산업전시회 일정




다아라 기계장터 제품등록 무료