본문 바로가기
  • 유해게시물신고
현대적 백색 가전 설계에서 인버터 IPM기술의 역할
김진성 기자|weekendk@kidd.co.kr
페이스북 트위터 카카오스토리 네이버블로그 프린트 PDF 다운로드

현대적 백색 가전 설계에서 인버터 IPM기술의 역할

기사입력 2016-01-05 09:03:42
페이스북 트위터 카카오스토리 네이버블로그 프린트 PDF 다운로드
현대적 백색 가전 설계에서 인버터 IPM기술의 역할


[산업일보]
점점 경쟁이 치열해지는 백색 가전 시장에서 제조사들에 대한 요구가 날로 까다로워지고 있다. 에너지를 대폭 절감하면서도 보다 간소화된 폼 팩터를 원하는 설계 아이디어를 성공적으로 잘 실행해야 소비자들의 좋은 반응을 얻을 뿐 아니라 튼튼하고 소음이 적은 제품을 구현할 수 있으므로 설계 단계에서의 압박이 날로 심해지고 있다. 이런 상황에서 제품의 성공을 위해 가장 적합한 지원 기술을 지정하는 일은 무엇보다 중요해지고 있다.

현대적인 백색 가전을 정의하는 몇 가지 핵심적인 기준이 있는데 이 부문에 종사하는 OEM 업체들은 소비자들을 계속 만족시키기 위해 이런 기준들을 모두 해결해야 한다. 이러한 기준은 다음과 같다.

1. 에너지 효율 – 유럽 연합의 새 에너지 관련 제품 (ErP) 프로그램은 기존의 법적 조치를 토대로 EcoDesign 지침을 확장시켜 백색 가전, 진공 청소기, TV에서 에어컨과 온수기에 이르는 모든 것을 포함한다. 이러한 목적은 2020년까지 유럽 연합 회원국들의 에너지소비량 20% 감축을 실현시키는 데 있다. 국제적인 법 추세와 더불어 간과하지 말아야 할 또 다른 측면은 요즘처럼 궁핍한 시기에 소비자들도 가정의 공과금 지출을 최대한 낮추려 애쓴다는 사실이다.

브러시리스DC 모처와 영구 자기 동기 모터의 보급
에너지 효율을 높이고 공간을 절약하며 수명을 연장시키기 위해 기존의 부피가 크고 비싸며 상대적으로 신뢰성이 떨어지는 재래식 범용 AC 모터들은 보다 발전된 3상 모터로 대대적인 전환을 겪었다. 백색 가전OEM 업체들은 브러시리스 직류(BLDC) 모터 또는 영구 자기 동기 (PMSM) 모터를 채택함으로써 신뢰 가능한 변속 구동을 지원하는 제품을 제조하고 있다.

인버터 실행
PMSM 및 BLDC 모터는 구식 triac 드라이버 대신 파워 인버터에 크게 의존한다. 이는 신뢰성을 확보하는 데 도움이 되며 열 관리 감소로 인해 전반적인 비용도 절감된다. 따라서 이러한 기술의 확산은 이미 기술한 백색 가전 설계를 정의하는 여러 가지 핵심 기준과 매우 부합한다.

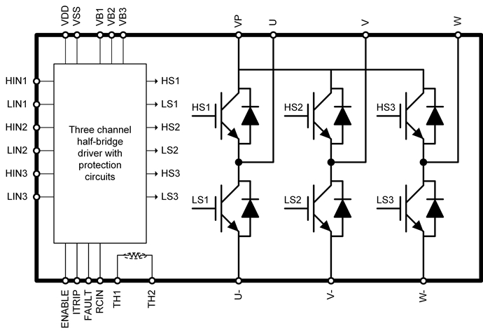
현대식 백색 가전 제품에 사용되는 인버터 파워 스테이지는 다음과 같은 소자들로 구성된다.

현대적 백색 가전 설계에서 인버터 IPM기술의 역할


엔지니어들은 필요한 모든 부품을 감안해 PCB에 탑재하여 자기만의 재량적인 솔루션을 만들어야 하지만 여기에는 많은 시간과 노력이 소요된다. 개별 부품을 구하여 납땜한 후 열싱크 및 포괄적 전자파 장애(EMI) 시험을 실시해야 한다. 엔지니어링 자원과 자재비 측면의 비용도 막대하게 소요될 수 있다. 또한 공간 활용도 면에서 이 방법은 비효율적일 가능성이 높다.

고밀도 하이브리드를 활용한 모듈 기반 접근법이 훨씬 보편적인 것으로 나타나고 있다. 전용 지능형 파워 모듈(IPM)을 활용하여 백색 가전과 접목되는 각종 모터, 압축기 및 팬을 훨씬 더 효율적으로 구동할 수 있다. 또한 필요한 회로 보호 메커니즘을 모터 드라이브 시스템에 포함시키기가 훨씬 수월해졌다. 하지만 이러한 모듈들이 제공하는 전반적인 최적의 성능을 파악하는 것이 언제나 쉬운 일은 아니다. 재래식 IPM 솔루션에는 여전히 수 많은 단점이 내재해 있다.

IPM 인버터에서의 부품 장착:

혁신적인 새 IPM 기술은 OEM 업체들이 최신 모델에서 보다 효과적인 인버터 시스템을 실행하도록 도움을 준다. IPM은 점차 하나의 DBC 기판 위에 능동 소자 IC와 별도의 부품들이 같이 탑재되는 체계를 기반으로 하고 있다. 이로 인해 성능이 대폭 향상됐고 열 전도성도 높아졌으며 신뢰성이 커지는 반면 사이즈는 작아졌다.

그림 1과 2에 온세미컨덕터의 DBC 기반 컴팩트 IPM모듈이 나와 있다. 정격 전압은 600V이고 15A 이하의 전류를 지원할 수 있다. 재래식 IPM보다 필요한 부품들의 수가 훨씬 적으므로 소요 면적은 450mm2에 불과하다. 즉 대등한 규격의 다른 DIP 모듈에 비해 약 40% 정도 크기가 작다. 이에 따라 동일한 드라이버와 전력 부품들을 사용했을 때 비교 대상 모듈의 전력 손실이 같다고 가정하면, 접합부와 대기 간 온도 차가 5% 이하일 것이다.

결론적으로 말하자면, 첨단 열 전도 금속 기판 기반의 고집적 IPM 모듈의 사용은 백색 가전 부문의 향후 발전을 위해 시사하는 바가 크다. 이 모듈은 에너지 효율적인 변속 구동을 제공하기 위해 현대식 백색 가전의 3상 모터를 효율적으로 구동할 수단을 제공한다.

소요 면적이 넓다는 단점이 있는) 개별 소바들이나 재래식 IPM과는 달리 트랜스퍼 성형된 IPM을 인터버 파워 스테이지에 활용함으로써, 백색 가전의 크기를 줄일 수 있다. 이는 강력한 열 성능이 제공되므로 신뢰성이 보장될 뿐 아니라 분포 정전 용량은 EMI에 따른 영향을 완화시키는 데 도움을 준다.

안녕하세요~산업1부 김진성 기자입니다. 스마트공장을 포함한 우리나라 제조업 혁신 3.0을 관심깊게 살펴보고 있으며, 그 외 각종 기계분야와 전시회 산업 등에도 한 번씩 곁눈질하고 있습니다.


0 / 1000
주제와 무관한 악의적인 댓글은 삭제될 수 있습니다.
0 / 1000




제품등록 무료 제품 거래 비용 없음!



산업전시회 일정




다아라 기계장터 제품등록 무료