본문 바로가기
  • 유해게시물신고
[기술뉴스] 리튬 이온 배터리, 전기차·개인용 전자기기 수요 증가에 동반↑
김예리 기자|yrkim@kidd.co.kr
페이스북 트위터 카카오스토리 네이버블로그 프린트 PDF 다운로드

[기술뉴스] 리튬 이온 배터리, 전기차·개인용 전자기기 수요 증가에 동반↑

정확도 높은 풀스케일, 리튬이온 배터리 포메이션 테스트 시스템

기사입력 2018-09-12 11:32:49
페이스북 트위터 카카오스토리 네이버블로그 프린트 PDF 다운로드
[산업일보]
리튬 이온 배터리에 대한 수요는 전기차, 개인용 전자 기기 및 그리드 시스템의 인기가 높아짐에 따라 기하급수적으로 증가하고 있다. 수요가 증가함에 따라, 정확도 높은 배터리 포메이션 테스트 시스템이 요구된다.

배터리 포메이션 테스트는 반복적인 충전 및 방전 사이클을 필요로 한다. 이 과정에서 배터리 수명과 저장 용량을 극대화하기 위해서 높은 정확도를 달성해야 한다. 매 사이클은 배터리 전류와 전압을 정밀하게 제어할 수 있어야 하며, 많은 제조사들은 0.05% 이상의 풀스케일 제어 정확도를 요구한다. 그러나 배터리 전류 요구 사항이 증가함에 따라서 이러한 높은 정확도를 달성하는 것은 갈수록 어려운 일이 되고 있다.

TI의 고전류 애플리케이션용의 배터리 테스터 레퍼런스 디자인을 보면, 정전류(CC) 및 정전압(CV) 캘리브레이션 루프를 사용해서 0.01% 풀스케일 충전 및 방전 전류 제어 정확도를 달성한다. 최대 50A에 이르는 충전 및 방전 전류, 더 높은 전류나 다중 위상을 필요로 하는 애플리케이션을 위해 변형 가능한 플랫폼을 제공한다. 예를 들어 차량용 전지의 전류 사양이 점점 고사양이 되어감에 따라 50A 이상을 필요로 할 수 있다.

[기술뉴스] 리튬 이온 배터리, 전기차·개인용 전자기기 수요 증가에 동반↑
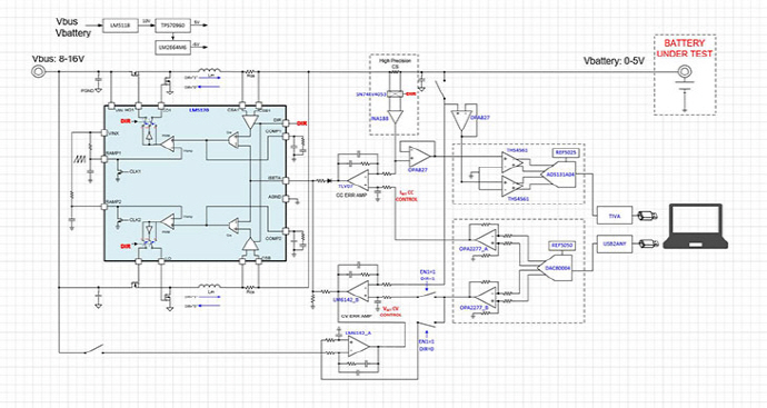
배터리 테스터 레퍼런스 디자인의 블록 다이어그램(그림1)

그림 1의 레퍼런스 디자인은 배터리로 유입되고 유출되는 전류를 조절하는 LM5170-Q1을 기반으로 한다. INA188은 CC 제어 루프를 구현하고 모니터링하며, 전류가 어느 방향으로든 흐를 수 있으므로 SN74LV4053A 멀티플렉서를 사용해서 상황에 맞게 INA188의 입력을 조절할 수 있다. 감지된 전류를 DAC80004 디지털-아날로그 컨버터(DAC)가 생성한 정밀 기준과 비교하고, 이들 신호를 TLV07을 사용해서 구현된 오차 증폭기(EA)로 보낸다. 오차 증폭기(Error Amplifier, EA)의 출력은 다시 LM5170의 ISETA 아날로그 전류 프로그래밍 핀으로 돌려보낸다. 그러면 LM5170이 전류 검출 저항을 통해서 흐르는 전류를 전류 레퍼런스 신호로 조절한다.

CV 제어 루프도 마찬가지로 작동한다. ADS131A04(24bit, 128kSPS, 4채널, 동시 샘플링 델타-시그마 아날로그-디지털 컨버터)가 배터리 전압과 전류를 모두 모니터링하고, DAC8004는 CV 제어 루프를 위해서 매우 정확한 전압 레퍼런스를 설정한다. ADC가 배터리의 전압과 전류를 모니터링하고, 단순한 그래픽 사용자 인터페이스(GUI)를 통해서 배터리 상태를 확인할 수 있다. DAC 역시 각기 다른 애플리케이션에 따라서 레퍼런스 신호를 설정할 수 있는 GUI를 제공한다.

온도 드리프트, 전압 드리프트, 오프셋 전압 같은 많은 요인들이 시스템 정확도에 영향을 미칠 수 있다. 이 배터리 테스터 레퍼런스 디자인은 3지점 캘리브레이션을 사용해서 다양한 요인 또는 오차들을 설명할 수 있다. 그림 2는 넓은 전류 범위 내에서 달성되는 풀스케일 정확도를 보여준다. 이 시스템은 배터리를 충전할 때는 벅 모드로 동작하고 배터리를 방전할 때는 부스트 모드로 동작한다.

[기술뉴스] 리튬 이온 배터리, 전기차·개인용 전자기기 수요 증가에 동반↑
전류 제어 정확도(그림2)

전원이 켜지면 배터리 전압이 낮기 때문에 CV 제어 루프가 배터리로 높은 전압을 출력한다. 이 출력 신호를 위해서는 먼저 CC 루프가 시스템을 제어한다. 배터리 전압이 상승하면 시스템이 점차적으로 CC 제어에서 CV 제어로 전환해서 마침내 기준 전압 레벨에 도달한다.

그림 3은 캘리브레이션을 사용한 이 시스템이 벅 모드로 동작할 때 전압 제어 정확도를 보여준다.

[기술뉴스] 리튬 이온 배터리, 전기차·개인용 전자기기 수요 증가에 동반↑
벅 모드로 전압 제어 정확도(그림3)

그림 4는 동일한 전압 설정으로 각기 다른 전류 조건으로 전이 곡선을 보여준다. 각기 다른 조건마다 전이 지점이 다르다는 것을 알 수 있다. 이것은 전류 설정이 높아지는 것에 따라서 전력 전송 경로 상의 전압 강하가 증가하기 때문이다. 그림 5는 동일한 전류 설정으로 각기 다른 전압 조건으로 전이 곡선을 보여준다. 두 그림에서는 CC에서 CV로 매끄럽게 전이한다는 것을 알 수 있으며, 제어 시스템이 안정적이라는 것을 보여준다.

[기술뉴스] 리튬 이온 배터리, 전기차·개인용 전자기기 수요 증가에 동반↑
각기 다른 전류로 CC/CV 전이(그림4)

[기술뉴스] 리튬 이온 배터리, 전기차·개인용 전자기기 수요 증가에 동반↑
각기 다른 전압으로 CC/CV 전이(그림5)

국내는 물론 해외 글로벌 기업들의 동향을 신속 정확하게 보도하겠습니다.


0 / 1000
주제와 무관한 악의적인 댓글은 삭제될 수 있습니다.
0 / 1000




제품등록 무료 제품 거래 비용 없음!



산업전시회 일정




다아라 기계장터 제품등록 무료