본문 바로가기
  • 유해게시물신고
[TECH] 콤퍼레이터(Comparator)의 불확실성
산업일보|kidd@kidd.co.kr
페이스북 트위터 카카오스토리 네이버블로그 프린트 PDF 다운로드

[TECH] 콤퍼레이터(Comparator)의 불확실성

히스테리시스 통해 입력 신호 잡음 문제 쉽게 해소

기사입력 2017-08-26 14:17:42
페이스북 트위터 카카오스토리 네이버블로그 프린트 PDF 다운로드
[산업일보]
콤퍼레이터(Comparator)는 매우 단순해 보인다. 두 개의 신호 전압을 비교해 출력을 높게 혹은 낮게 설정한다. 그러나 두 개의 신호 전압 값이 아주 가까운 경우, 입력 신호에 약간의 잡음이 존재해도 고레벨(High Level Voltage) 또는 저레벨(Low Level Voltage) 출력 사이에서 진동을 한다. 이를 해결하려면 히스테리시스(Hysteresis)를 추가하는 것이 가장 좋다.

히스테리시스는 시스템 출력이 이전 상태에 의해 달라지는 경우이다. 콤퍼레이터에 히스테리시스가 추가되면 상위 스위칭 임계점이 높게 설정되며 하위 스위칭 임계점은 낮게 설정된다. 이것은 기본적으로 AC 온도 조절 장치의 작동 원리와 같다. 온도 조절 장치에 히스테리시스가 존재하지 않는 경우를 생각해보면 AC는 작은 온도 변화에서 몇 초마다 켜고 끄는 것을 반복하는데 이는 시끄럽고 비효율적이며 AC 소자에 스트레스를 발생시킨다. 히스테리시스를 AC 온도 조절 장치에 추가하면 시스템이 보다 효과적으로 작동될 수 있다.

일부 콤퍼레이터에는 히스테리시스가 내장되어 있는데 이는 일반적으로 역간의 밀리 볼트 수준으로서 특정 용도에 적합할 수 있으나 다른 상황에서는 외부 히스테리시스를 추가해야 할 수 있다. 외부 히스테리시스를 추가하면 시스템 사양에 따라 임계점이 상승 또는 하강할 수 있다.
[TECH] 콤퍼레이터(Comparator)의 불확실성

히스테리시스는 정궤환(Positive Feedback)을 통해 콤퍼레이터 내에서 회로를 구성한다. 이는 정궤환의 몇 안되는 장점 중 하나이다. 히스테리시스는 하나의 임계점을 갖는 대신 상승 및 하강값을 생성한다. 이를 통해 입력 신호가 기준 전압(Reference Voltage) 근처에 머무는 경우에도 진동 현상이 발생되지 않으며 출력이 항상 낮거나 높은 상태로 유지된다. 정궤환을 통해 히스테리시스가 추가된 콤퍼레이터는 슈미트 트리거(Schmitt Trigger)라고도 한다.

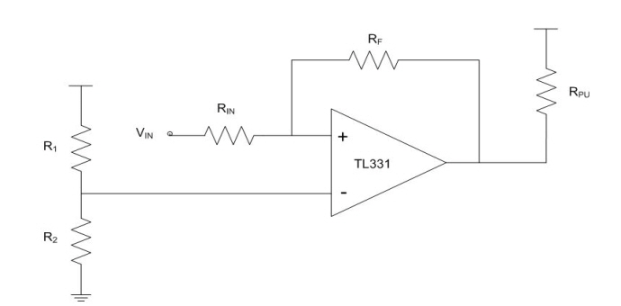
아래의 사례는 인버팅 슈미트 트리거(Inverting Schmitt Trigger)로 구성된 온세미컨덕터의 TL331이다. TL331은 내장 히스테리시스가 없는 단일 채널의 저전력 개방형 컬렉터 콤퍼레이터다.

R1과 R2 저항에 의해 생성되는 저항 분배기가 비 반전 핀에 기준 전압을 설정하여 콤퍼레이터 출력이 전환되는 전압 임계점을 설정한다. 이는 개방형 컬렉터 콤퍼레이터이므로 상승 저항기 (Pull-Up Resistor)가 출력에 연결된다. 피드백 저항이 정궤환을 통해 히스테리시스를 추가하는데 이때 적어도 100 kΩ 수준의 비교적 큰 피드백 저항 값이 일반적으로 적용된다.

인버팅 구성에 있어서 임계점을 기준으로 입력 신호가 낮은 경우, 출력 핀은 피드백 저항을 통해 전압 임계점을 상승시킨다. 이런 방법을 통해 입력 신호의 미세한 전압 변동이 발생해도 더 상승되고 조정된 상승 임계점에 도달할 때까지 콤퍼레이터 출력은 전환되지 않는다. 입력 신호가 상승 임계점에 도달하면 출력은 낮아진다. 이렇게 하면 피드백 저항을 통해 전압 임계점이 낮아져 입력 전압이 조정된 전압 임계점 이하로 낮아질 때까지 출력이 낮게 유지된다.

[TECH] 콤퍼레이터(Comparator)의 불확실성

비 인버팅(Non-Inverting) 구성은 정궤환(Positive Feedback) 활용과 비슷한 방식으로 작동한다. 그러나 이 경우 인버팅 구성처럼 저항 분배기(Resistor Divider)에 의해 설정된 전압 임계점이 변화하지 않는다. 그대신 피드백이 비 인버팅 노드에서 입력 신호를 조정한다.

이 구성에 있어서 입력 신호가 낮은 경우 출력이 낮아지면 비 인버팅 노드의 전압도 낮아지게 된다. 입력 신호가 비 인버팅 노드를 기준 전압(Reference Voltage)보다 높게 상승시키면 출력이 상승되어 비 인버팅 노드가 더 높게 상승된다.

두 회로에서 보듯이 히스테리시스를 추가하는 데에는 하나 또는 두 개의 외부 저항만이 필요하게 되는데 이 때 저항값은 특정 애플리케이션에 적합한 임계점으로 조정이 가능하다. 콤퍼레이터 설계를 할 때 입력 핀의 전압이 상당한 시간 동안 서로 닿는 경우 히스테리시스를 추가하면 입력 신호의 잡음으로 인한 문제를 쉽게 해소할 수 있다. By 파하나 사더 (Farhana Sarder), 온세미컨덕터



0 / 1000
주제와 무관한 악의적인 댓글은 삭제될 수 있습니다.
0 / 1000




제품등록 무료 제품 거래 비용 없음!



산업전시회 일정




다아라 기계장터 제품등록 무료