본문 바로가기
  • 유해게시물신고
[TECH NEWS] 고압용 냉동식 드라이어, 경제적인 제작법
산업일보|kidd@kidd.co.kr
페이스북 트위터 카카오스토리 네이버블로그 프린트 PDF 다운로드

[TECH NEWS] 고압용 냉동식 드라이어, 경제적인 제작법

안전하고 경제적인 멀티 스텐파이프 방식

기사입력 2014-10-24 05:00:57
페이스북 트위터 카카오스토리 네이버블로그 프린트 PDF 다운로드
[TECH NEWS] 고압용 냉동식 드라이어, 경제적인 제작법
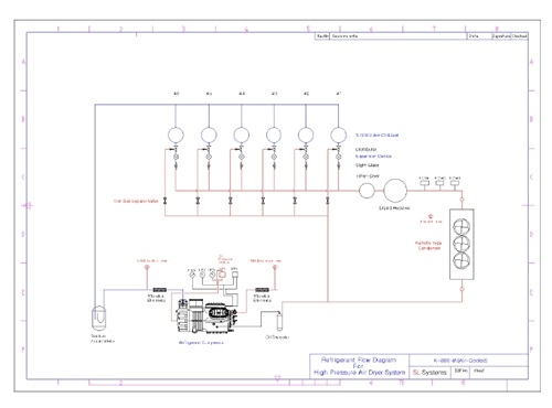
800HP Class 15Bar용 멀티파이프방식의 고압용 드라이어의 예


[산업일보]
설계압력이 10kgf/cm2G를 초과하는 고압용 냉동식 드라이어의 경우, 갑종압력용기 검사, 가격, 납기 및 안전 등 여러 측면에서 저압 표준형 드라이어 보다 세심한 주의를 필요로 한다.

특히 갑종압력용기 검사는 기존의 산업안전공단에서 하지 않고 가스안전공사에서 담당하기 때문에 절차가 한층 복잡해졌다. 이제 갑종압력용기에 해당하는 기계 공급 시 많은 불편함을 겪을 수밖에 없게 됐다.

이에 안전하고 경제적이며 신속한 납기를 맞출 수 있는 고압용 냉동식 드라이어 제작 방법에 대해 소개한다.

고용노동부고시 제2013-13호(2013.2.6) ‘안전인증‧자율안전 확인 신고의 절차에 관한 고시’중 압력용기 항에서 규정한 내용을 살펴보면, 설계압력이 0.2메가파스칼(0.2MPa, 2kgf/cm2)을 초과하는 경우를 압력용기로 규정하고 있다. 단, 용기의 길이 또는 압력에 상관없이 안지름, 폭, 높이 또는 단면대각선 길이가 150mm(관(pipe)을 사용하는 경우 호칭지름 150A) 이하인 용기는 압력용기에서 제외하고 있다.

여기서 해결의 실마리를 찾았다. 즉, 150A 배관용 스텐레스 강관을 프리쿨러와 증발기 동체(Shell)로 채택하는 것이다. 사용압력에 맞춰 파이프 스케줄(두께)을 선택해 Air 유량에 따라 파이프 여러 개를 사용하는 멀티파이프 방식으로 설계한다.

이는 마치 자동차 엔진 같은 단기통이 아닌 4기통, 6기통, 8기통의 멀티실린더 방식이다.
멀티파이프 방식의 최대 장점은 싱글파이프의 최적조건을 찾은 후, 마력에 따라 병렬로 추가만하면 되기 때문에 싱글파이프 방식보다 훨씬 안정된 성능을 발휘할 수 있다.

멀티파이프 방식은 중요한 기술적 노하우가 필요하다. 그것은 Air와 냉매의 균등한 분배문제 해결이다. 이 문제는 메르세데스 벤츠, 아우디, 현대자동차 엔진 시스템에서 실마리를 찾아 해결했다.

800HP Class 15Bar용 멀티파이프 방식의 고압용 드라이어(그림참조)의 경우, 파이프는 KS D 3576 STS304 배관용 스텐레스 강관 150A x sch-20S(5.0T)이다. 냉매응축기는 분리형으로 실외기 30HP이고, 냉동 콤프레샤는 반 밀폐 20HP다.

내가 스텐파이프를 선호하는 이유는 부식이 없고, 드레인 하자가 거의 없다는 점, 그리고 인장강도가 일반 탄소강관보다 월등히 높아 두께가 얇아도 안전하다는 것이다. 또 스텐파이프가 차지하는 자재비 비율이 생각보다 높지 않다.

Air 압력이 높아지면 Air의 밀도가 커지기 때문에 냉각효율이 좋아진다. 이에 따른 수분제거효율이 크게 향상되기 때문에 대기압노점이 낮아져 건조한 공기를 쉽게 얻을 수 있다. 그래서 대부분의 경우 흡착식 드라이어가 따로 필요 없다.

<글 : SL SYSTEMS 이충기 대표>



0 / 1000
주제와 무관한 악의적인 댓글은 삭제될 수 있습니다.
0 / 1000




제품등록 무료 제품 거래 비용 없음!



산업전시회 일정




다아라 기계장터 제품등록 무료